رازداری کا بیان: آپ کی رازداری ہمارے لئے بہت اہم ہے۔ ہماری کمپنی وعدہ کرتی ہے کہ آپ کی واضح اجازتوں کے ساتھ آپ کی ذاتی معلومات کو کسی بھی ایکسپانی سے ظاہر نہ کریں۔
مصنوعات کی اقسام
انکوائری بھیجیں
ادائیگی کی قسم: L/C,T/T,D/P,D/A,Paypal
نقل و حمل: Ocean,Land,Air,Express
| option | |
| اب سے رابطہ کریں |
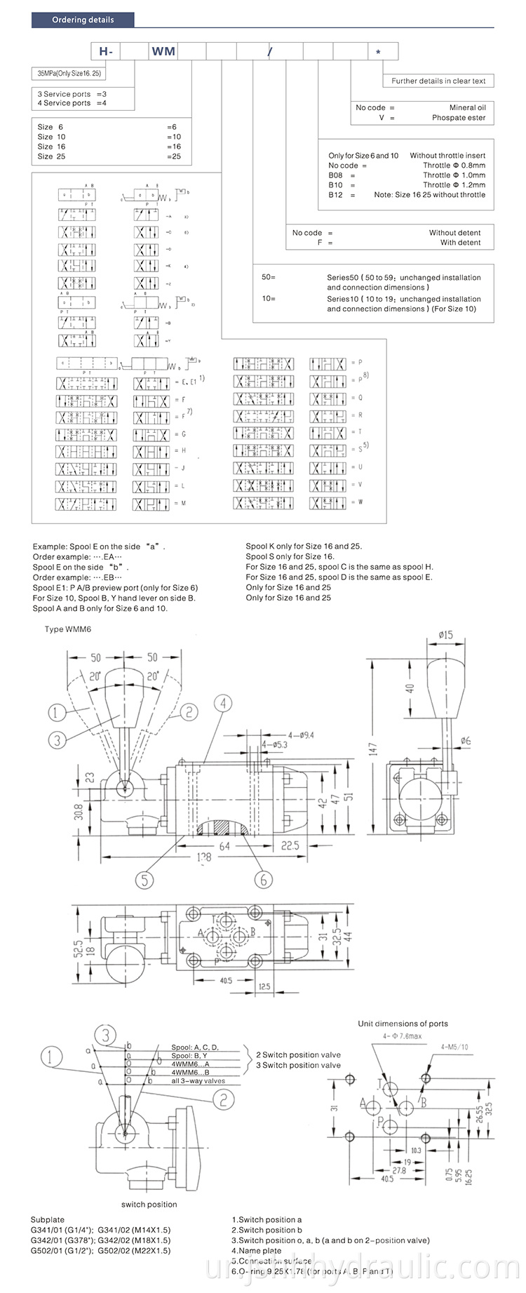
ماڈل نمبر.: 4WMM10 Hydraulic Manual Directional Spool Control Valve
برانڈ: ہاوہونگ
Origin: ہوایان شہر ، چین
تصدیق: Ce certificate
وارنٹی کی مدت: 1 سال
وارنٹی سروس سے باہر: اسپیئر پارٹس, آن لائن مدد, فیلڈ کی بحالی اور مرمت کی خدمت, ویڈیو تکنیکی مدد
Where To Provide Local Services (in Which Countries Are There Overseas Service Outlets): Other
Showroom Location (in Which Countries Are There Sample Rooms Overseas): Other
اصل کی جگہ: چین
خدمت کا نظام: آن لائن مدد, ویڈیو تکنیکی مدد, مفت اسپیئر پارٹس, فیلڈ انسٹالیشن ، کمیشننگ اور ٹریننگ, فیلڈ کی بحالی اور مرمت کی خدمت, دوسرے
والو کی قسم: دوسرے
Max. Flow Rate: 120L/min
Weight: 3.8Kg
Type: Directly Operated Type
Max Pressure: 315bar
4WMM10 ہائیڈرولک دستی دشاتمک اسپول کنٹرول والوز
4WMM10 سیریز دشاتمک کنٹرول والوز ڈائریکشن اسپول کی پوزیشن کو تبدیل کرنے کے لئے ، کارکن کے ہاتھ سے براہ راست چلائے جاتے ہیں۔ جب مرکز کی پوزیشن پر اسپول ، مثال کے طور پر ای قسم کے لئے ، پی ، اے ، بی ، ٹی کی تیل بندرگاہیں بند ہوجاتی ہیں۔ والو اسپول آگے بڑھتا ہے اگر ہینڈ لیور پل فارورڈر ، انلیٹ آئل پورٹ پی بی سے جڑتا ہے ، اور آؤٹ لیٹ ٹی پورٹ والو ہاؤس میں اس کے مطابق ایک بندرگاہ سے جڑتا ہے۔ اگر پیٹھ کے آخر میں ہاتھ لیور کھینچ رہے ہیں تو ، انلیٹ آئل پورٹ پی اے سے جڑتا ہے ، اور آؤٹ لیٹ ٹی پورٹ بی پورٹ سے اس کے مطابق والو ہاؤس میں جڑتا ہے ، جس کی سمت پروسیسنگ حاصل ہوتی ہے ، جو آئل لائن کو کنٹرول کرنے کے لئے استعمال ہوتا ہے۔ آن یا آف ، تیل کے دشاتمک انداز یا دباؤ کو کم کرنا۔ انسٹال کرنے کا طریقہ سب پلیٹ کے ذریعہ ہے۔

4WMM10 دستی دشاتمک والوز کے پاس سمت کو کنٹرول کرنے کے لئے صرف ایک طریقہ ہے ، لیکن سولینائڈ اور دستی دشاتمک والوز جیسے 4WMME سیریز ہیں جن کی سمت کو کنٹرول کرنے کے دو طریقے ہیں۔ نہ صرف الیکٹرو میگنیٹ کے ذریعہ ہینڈل .4 ڈبلیو ایم ایم 6 ... 6x کے ذریعہ بھی کنٹرول کیا جاسکتا ہے۔ ... قسم کے دستی دشاتمک والوز براہ راست آپریٹڈ اسپول والوز ہیں جو اسپل کو محوری طور پر منتقل کرنے کے لئے ہینڈل کو گھوماتے ہوئے فلو فلوڈ کو تبدیل کرتے ہیں۔

پیکیجنگ: 5 پرتوں کے بھوری رنگ کے خانے سے بھری ہوئی
پیداوری: 10000 sets/month
نقل و حمل: Ocean,Land,Air,Express
نکالنے کا مقام: ہوایان شہر ، چین
سپلائی کی قابلیت: 10000 sets/month
سرٹیفیکیٹ: Ce certificate
ایچ ایس کوڈ: 8481201090
ادائیگی کی قسم: L/C,T/T,D/P,D/A,Paypal
انکوٹرم: FOB,CFR,CIF,EXW
GET IN TOUCH
If you have any questions our products or services,feel free to reach out to us.Provide unique experiences for everyone involved with a brand.we’ve got preferential price and best-quality products for you.
رازداری کا بیان: آپ کی رازداری ہمارے لئے بہت اہم ہے۔ ہماری کمپنی وعدہ کرتی ہے کہ آپ کی واضح اجازتوں کے ساتھ آپ کی ذاتی معلومات کو کسی بھی ایکسپانی سے ظاہر نہ کریں۔
مزید معلومات کو پُر کریں تاکہ آپ کے ساتھ تیزی سے رابطہ ہوسکے
رازداری کا بیان: آپ کی رازداری ہمارے لئے بہت اہم ہے۔ ہماری کمپنی وعدہ کرتی ہے کہ آپ کی واضح اجازتوں کے ساتھ آپ کی ذاتی معلومات کو کسی بھی ایکسپانی سے ظاہر نہ کریں۔